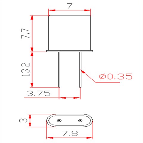
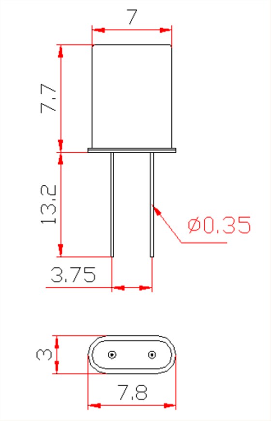
泰藝晶振,石英晶振,XH晶振,晶振本身超小型,薄型,重量輕,晶體具有優良的耐環境特性,如耐熱性,耐沖擊性,在辦公自動化,家電相關電器領域及Bluetooth,Wireless LAN等短距離無線通信領域可發揮優良的電氣特性,滿足無鉛焊接的回流溫度曲線要求.
貼片晶振晶片邊緣處理技術:貼片晶振是晶片通過滾筒倒邊,主要是為了去除石英晶振晶片的邊緣效應,在實際操作中機器運動方式設計、滾筒的曲率半徑、滾筒的長短、使用的研磨砂的型號、多少、填充物種類及多少等各項設計必須合理,有一項不完善都會使晶振晶片的邊緣效應不能去除,而石英晶振晶片的諧振電阻過大,用在電路中Q值過小,從而電路不能振動或振動了不穩定。
|
泰藝晶振規格 |
單位 |
XH晶振頻率范圍 |
石英晶振基本條件 |
|
標準頻率 |
f_nom |
8.0~40.0MHZ |
標準頻率 |
|
儲存溫度 |
T_stg |
-55°C ~ +125°C |
裸存 |
|
工作溫度 |
T_use |
-40°C ~ +85°C |
標準溫度 |
|
激勵功率 |
DL |
200μW Max. |
推薦:1μW ~ 100μW |
|
頻率公差 |
f_— l |
±50 × 10-6(標準), |
+25°C 對于超出標準的規格說明, |
|
頻率溫度特征 |
f_tem |
±30 × 10-6/-20°C ~ +70°C |
超出標準的規格請聯系我們. |
|
負載電容 |
CL |
8pF ,10PF,12PF,20PF |
超出標準說明,請聯系我們. |
|
串聯電阻(ESR) |
R1 |
如下表所示 |
-40°C — +85°C,DL = 100μW |
|
頻率老化 |
f_age |
±5 × 10-6/ year Max. |
+25°C,第一年 |
關于沖洗清潔音叉型晶振由于采用小型、薄型的晶振芯片,以及相對而言頻率與超音波清潔器相近,所以會由于共振而容易受到破壞,因此請不要用超音波清潔器來沖洗晶振。 關于機械性沖擊
(1) 從設計角度而言,即使石英晶振從高度75cm處落到硬質木板上三次,按照設計不會發生什么問題,但因落下時的不同條件而異,有可能導致石英芯片的破損。在使之落下或對它施加沖擊之時,在使用之前,建議確認一下振蕩檢查等的條件。
(2) SMD晶振與電阻以及電容器的芯片產品不同,由于在內部對石英晶振晶片進行了密封保護,因此關于在自動安裝時由于沖擊而導致的影響,請在使用之前,懇請貴公司另外進行確認工作。
(3) 請盡量避免將本公司的音叉型晶振與機械性振動源(包括超聲波振動源)安裝到同一塊基板上,不得已要安裝到同一塊基板上時,請確保晶振能正常工作。
泰藝晶振電子自公司成立以來,秉持對環境保護承諾宣言:『還給后代一個干凈的地球』,所有活動應遵從以下政策:
泰藝晶振公司所有活動皆遵循環保法規及承諾,作好綠色設計與生產以及污染預防,減少使用危害環境的原物料,積極節約材料資源,降低對整體環境沖擊的影響,實施相關預防矯正、持續改善作業,落實與維護環境保護,響應全球環保運動。
藉由環境稽核確認環境改善績效,使公司所有活動過程均能達成環境目標及標的,并期望透過泰藝晶振公司全體員工共同努力,貢獻愛護地球的一份心力。泰藝晶振,石英晶振,XH晶振



京瓷晶振,石英晶振,CX3225GA晶振
京瓷晶振,貼片晶振,CX5032SA晶振
京瓷晶振,貼片晶振,KC2520B晶振
LFXTAL072541REEL,IQD石英晶振廠家,IQXC-26,進口環保晶振
LFXTAL085859,歐美進口晶振,IQD代理商,IQXC-42
LFXTAL026384REEL,12SMX-B,IQD晶振,12MHz
LFXTAL061486REEL,CFPX-104,伊克德電子,抗撞擊晶振
LFXTAL055962REEL,IQD石英晶振,CFPX-180,SMD晶振


