Geyer晶振,進口石英振蕩子,KXO-V95低功耗晶振.有源晶振,是只晶體本身起振需要外部電壓供應,起振后可直接驅動CMOS 集成電路,產品本身已實現與薄型IC(TSSOP封裝,TVSOP封裝)同樣的1mm厚度,斷開時的消費電流是15 µA以下,編帶包裝方式可對應自動搭載及IR回流焊接(無鉛對應)產品有幾種電壓供選1.8V,2.5V,3V3.3V,5V,以應對不同IC產品需要.
石英晶振曲率半徑加工技術:石英晶振晶片在球筒倒邊加工時應用到的加工技術,主要是研究滿足不同曲率半徑石英晶振晶片設計可使用的方法.如:1、是指球面加工曲率半徑的工藝設計(a、球面的余弦磨量;b、球面的均勻磨量;c、球面加工曲率半徑的配合)2、在加工時球面測量標準的設計原則(曲率半徑公式的計算).
GEYER ELECTRONIC成立于1964年,總部位于慕尼黑/德國.幾十年來,GEYER ELECTRONIC一直是頻率產品,石英晶體振蕩器和陶瓷諧振器的領先制造商之一.另外,我們還生產品牌電池,蓄電池(可充電電池)和負載技術.最高的質量,創造力和安全性是我們創新解決方案的特點.
|
GEYER晶振 |
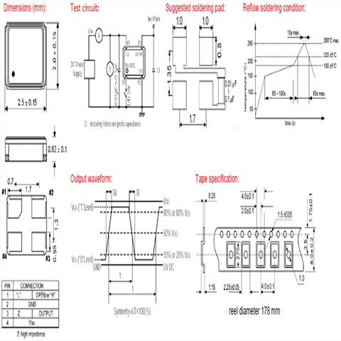
KXO-V95晶振 |
|
輸出類型 |
HCMOS |
|
輸出負載 |
15pF |
|
振蕩模式 |
基本/第三泛音 |
|
電源電壓 |
-0.5V ~ +7.0V |
|
頻率范圍 |
1.00MHz~70.00MHz |
|
頻率穩定度 |
±50ppm ±100ppm ±120ppm
|
|
工作溫度 |
-20℃~+70℃ -40℃~+85℃ -40℃~+105℃ |
|
保存溫度 |
-40℃~+85℃ |
|
電壓卷(最大值)/ VOH(最小值) |
0.1 VDD / 0.9 VDD |
|
啟動時間 |
5 ms Max |
|
相位抖動(12兆赫~20兆赫) |
1個PS最大 |
|
老化率 |
±3 ppm /年最大 |
輸出負載
建議將輸出負載安裝在盡可能靠近電壓控制時鐘有源晶振的地方(在20mm范圍之間).
未用輸入終端的處理
未用針腳可能會引起噪聲響應,從而導致非正常工作.同時,當P通道和N通道都處于打開時,電源功率消耗也會增加;因此,請將未用輸入終端連接到VCC或GND.
電源線路
電源的線路阻抗應盡可能低.
熱影響
重復的溫度巨大變化可能會降低受損害的有源晶振的產品特性,并導致塑料封裝里的線路擊穿.必須避免這種情況.
有關SMD產品的回流焊焊接溫度描述,請參照“表面貼裝型晶體產品的回流焊焊接溫度描述”.
清洗
關于一般清洗液的使用以及超聲波清洗沒有問題,但這僅僅是對單個石英晶體產品進行試驗所得的結果,因此請根據實際使用狀態進行確認.
由于音叉型晶體諧振器的頻率范圍和超聲波清洗機的清洗頻率很近,容易受到共振破壞,因此請盡可能避免超聲波清洗.
安裝方向
進口晶體振蕩器的不正確安裝會導致故障以及崩潰,因此安裝時,請檢查安裝方向是否正確.
通電
不建議從中間電位和/或極快速通電,否則會導致低相位抖動晶振無法產生振蕩和/或非正常工作.
晶振的軟焊溫度條件被設計成可以和普通電子零部件同時作業,但如果是超過規格以上的高溫,則頻率有可能發生較大的變化,因此請避免不必要的高溫度.
GEYER晶振所有的經營組織都將積極應用國際標準以及適用的法律法規.為促進合理有效的公共政策的制訂實施加強戰略聯系.
消除事故和環境方面的偶發事件,減少廢物的產生和排放,有效的使用能源和各種自然資源,對緊急事件做好充分準備,以便及時做出反應.
GEYER晶振,貼片晶振,石英晶體振蕩器在“制造、使用、有效利用、再利用”這樣一個產品生命周期中,努力創造豐富的價值,給社會帶來溫馨和安寧,感動和驚喜,同時為減少環境影響,努力做好“防止地球變暖、有效利用資源、對化學物質進行管理”,實現與地球的和諧相處.
GEYER集團將有效率的使用自然資源和能源,以便從源頭減少廢物產生和排放.我們將在關注于預防環境和安全事故,保護公眾健康的同時,努力改進我們的操作.我公司將積極參與加強公眾環境、健康和安全意識的活動,提高公眾對普遍的環境、健康和安全問題的注意.
對我們的產品進行檢驗,同時告知我們的員工顧客以及公眾,如何安全的使用,如何使用對環境影響較小,幫助我們的雇員合同方商業伙伴服務提供上理解他們的行為如何影響著環境.公司的各項能源、資源消耗指標和排放指標達到國內領先、國際先進水平.

Mmdcomp晶振,高端晶體,X石英晶體諧振器
Mmdcomp晶振,普通有源晶振,MXC進口振蕩器
Raltron晶振,石英晶體振蕩器,CO2520晶振
Golledge晶振,進口有源晶振,GAO-3201振蕩器
Geyer晶振,TCXO晶振,KXO-86壓控溫補振蕩器
安基晶振,耐高溫晶振,CXAN-221高品質晶振
安基晶振,普通有源晶振,SMAF-221振蕩器
安基晶振,VC-TCXO晶振,VTON-221振蕩器


