Raltron晶振,石英晶體振蕩器,CO2520晶振.普通貼片石英晶振外觀使用金屬材料封裝的,具有高穩定性,高可靠性的石英晶體諧振器,晶振外觀本身使用金屬封裝,充分的密封性能,可確保其高可靠性,采用編帶包裝,外包裝采用朔膠盤,可在自動貼片機上對應自動貼裝等優勢.
Raltron晶振公司積極追求領先的高端晶體和振蕩器技術,專注于會議客戶的需求. 這確保客戶獲得最具成本效益的頻率管理產品在當今全球市場上可用. Raltron產品具有精確的頻率容穩定性好,頻率范圍寬,封裝更小,相位噪聲低,抖動小等優點,最重要的是,他們以非常有競爭力的成本滿足或超越客戶的規格.
超小型、超低頻石英晶振晶片的邊緣處理技術:是超小型、超低頻石英晶振晶體元器件研發及生產必須解決的技術問題,為壓電石英晶振行業的技術難題之一.我公司康華爾電子具體解決的辦法是使用高速倒邊方式,通過結合以往低速滾筒倒邊去除晶振晶片的邊緣效應,在實際操作中機器運動方式設計、滾筒的曲率半徑、滾筒的長短、使用的研磨砂的型號、多少、填充物種類及多少等各項設計必須合理,有一項不完善都會使石英2520晶振晶片的邊緣效應不能去除,而石英晶振晶片的諧振電阻過大,用在電路中Q值過小,從而電路不能振動或振動不穩定.
|
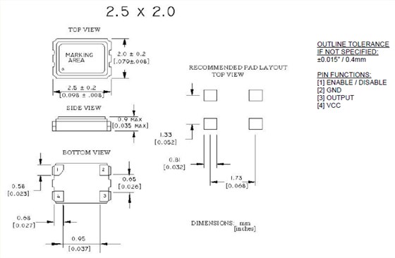
Raltron晶振 |
CO2520晶振 |
|
輸出類型 |
CMOS |
|
輸出負載 |
15pF |
|
振蕩模式 |
基本/第三泛音 |
|
電源電壓 |
+1.8V,+2.5V,+3.0V,+3.3V |
|
頻率范圍 |
0.750MHz~75.000MHz |
|
頻率穩定度 |
±25ppm ±30ppm ±50ppm ±100ppm |
|
工作溫度 |
-20℃~+70℃ -40℃~+85℃ |
|
保存溫度 |
-40℃~+85℃ |
|
電壓卷(最大值)/ VOH(最小值) |
0.1 VDD / 0.9 VDD |
|
啟動時間 |
5 ms Max |
|
相位抖動(12兆赫~20兆赫) |
1個PS最大 |
|
老化率 |
±3 ppm /年最大 |
熱影響
重復的溫度巨大變化可能會降低受損害的普通有源晶振的產品特性,并導致塑料封裝里的線路擊穿.必須避免這種情況
安裝方向
進口晶體振蕩器的不正確安裝會導致故障以及崩潰,因此安裝時,請檢查安裝方向是否正確.
通電
不建議從中間電位和/或極快速通電,否則會導致有源晶體無法產生振蕩和/或非正常工作.晶振的軟焊溫度條件被設計成可以和普通電子零部件同時作業,但如果是超過規格以上的高溫,則頻率有可能發生較大的變化,因此請避免不必要的高溫度.有關SMD晶振產品的回流焊焊接溫度描述,請參照“表面貼裝型晶體產品的回流焊焊接溫度描述”.
清洗
關于一般清洗液的使用以及超聲波清洗沒有問題,但這僅僅是對單個石英晶體產品進行試驗所得的結果,因此請根據實際使用狀態進行確認.由于音叉型石英晶體諧振器的頻率范圍和超聲波清洗機的清洗頻率很近,容易受到共振破壞,因此請盡可能避免超聲波清洗.若要進行超聲波清洗,必須事先根據實際使用狀態進行確認.
保管
保管在高溫多濕的場所可能會導致端子軟焊性的老化.請在沒有直射陽光,不發生結露的場所保管.
負載電容
振蕩電路中負載電容的不同,可能導致振蕩頻率與設計頻率之間產生偏差.試圖通過強力調整,可能只會導致不正常的振蕩.在使用之前,請指明該振動電路的負載電容(請參閱“負載電容”章節內容).
晶體振蕩器和實時時鐘模塊
所有石英晶體振蕩器和實時時鐘模塊都以IC形式提供.
RALTRON晶振公司遵守所有適用的有關環境、健康和安全的法律和法規以及公司自己的有關環境、工業衛生和安全的方針和承諾.與我們的員工一起開創并保持一個免于事故的工作場所.重視產品污染預防,消除偏離程序的行為強調通過員工努力這一最可行的方法持續改進我們經營活動的環境績效.
美國RALTRON晶振勞工職業安全衛生議題近年成為世界各國及企業關注焦如何做到'降低職業災害發生,確保工作場所安全,實施員工健康管理'一直是RALTRON晶體努力的方向,公司于2008年12月通過OHSAS18001職業安全衛生管理系統驗證,提供勞工符合系統要求的安全衛生工作環境.
美國RALTRON晶振本于‘善盡企業責任、降低環境沖擊、提升員工健康’的理念,執行各項環境及職業安全衛生管理工作;落實公司環安衛政策要求使環境暨安全衛生管理成效日益顯著,不僅符合國內環保、勞安法令要求,同時晶振產品也能達到國際環保、安全衛生標準.2003年通過ISO14001環境管理系統驗證,秉持“污染預防、持續改善”之原則.
RALTRON晶振公司集團作為“地球內企業”,在保護地球環境方面發揮著領導作用.我們尊重歷史、文化和傳統的多樣性,并致力于“CSR經營”和“環境經營”.為取得社會的信任,為推動環境負荷最小化,RALTRON晶振集團還開展了各種各樣的石英晶振產品生產宣傳推廣活動.


Mmdcomp晶振,高端晶體,X石英晶體諧振器
Mmdcomp晶振,普通有源晶振,MXC進口振蕩器
Raltron晶振,進口晶振,RTX-2520晶振
Golledge晶振,進口有源晶振,GAO-3201振蕩器
Geyer晶振,TCXO晶振,KXO-86壓控溫補振蕩器
Geyer晶振,進口石英振蕩子,KXO-V95低功耗晶振
安基晶振,耐高溫晶振,CXAN-221高品質晶振
安基晶振,普通有源晶振,SMAF-221振蕩器
安基晶振,VC-TCXO晶振,VTON-221振蕩器


