T1300-T26-5.0-LG-20.0MHz-E,有源晶振,Greenray晶振,6G微波接收器晶振,尺寸為20.3x12.7mm,頻率為20MHZ,長方型鐘振,石英晶體振蕩器,有源晶體振蕩器,進口有源晶振,低抖動晶振,低電壓晶振,高品質晶振,6G電信晶振,無線通信晶振,機載通信專用晶振,移動儀器晶振,網絡設備晶振,儀器儀表晶振,電子產品專用晶振。Greenray Industries的T1300 TCXO為振動和振動提供超低加速靈敏度對沖擊敏感的應用。當在隨機振動下工作時,T1300可以提供與傳統的tcxo相比,相位噪聲提高了40dB以上性能優于大多數OCXO。
溫補晶振產品主要應用范圍:電信,高沖擊電子產品,移動無線電,移動儀器,機載通信,無線通信,微波接收器等領域。T1300-T26-5.0-LG-20.0MHz-E,有源晶振,Greenray晶振,6G微波接收器晶振.
T1300-T26-5.0-LG-20.0MHz-E,有源晶振,Greenray晶振,6G微波接收器晶振參數表
FrequencyCharacteristics | |||||||||||||||||||||
Parameter | Conditions | Min | Typical | Max | Units | OrderingCode | |||||||||||||||
Nominal Frequency | +25°C |
|
20 | MHz | |||||||||||||||||
Frequency Stability (other stability available) |
-20°C to +70°C | ± 1 | ppm | N16 | |||||||||||||||||
-40°C to +85°C | ± 2 | ppm | T26 | ||||||||||||||||||
Aging |
1styear, after 14 days of operation |
± 0.5 | ppm | ||||||||||||||||||
Acceleration Sensitivity |
(Note 1) | 0.7 | ppb/g | SD | |||||||||||||||||
0.1 | ppb/g | LG | |||||||||||||||||||
0.07 | ppb/g | ULG | |||||||||||||||||||
Frequency vs Voltage | For a 5% change | ± 0.1 | ppm | ||||||||||||||||||
Frequency vs Load | For a 10% change | ± 0.01 | ppb | ||||||||||||||||||
Electronic Frequency Control |
EFC = 0 to VDD, Positive slope 50k Ω input Z |
± 6 | ppm | ||||||||||||||||||
Warm-up time | Within ± 1 ppm | 10 | msec | ||||||||||||||||||
Short-term Stability | 1 sec Tau (10 MHz) | 8 | x 10-10 | ||||||||||||||||||
PhaseNoisePerformance | |||||||||||||||||||||
Parameter | FrequencyOffset(Hz) | Min | Typical | Max | Units | ||||||||||||||||
Phase Noise (static) @ 10 MHz nominal Frequency |
10 | --100 | dBc/Hz | ||||||||||||||||||
100 | --130 | dBc/Hz | |||||||||||||||||||
1k | --155 | dBc/Hz | |||||||||||||||||||
10 k | --162 | dBc/Hz | |||||||||||||||||||
100 k | --162 | dBc/Hz | |||||||||||||||||||
DCSupply | |||||||||||||||||||||
Parameter | Conditions | Min | Typical | Max | Units | OrderingCode | |||||||||||||||
Supply Voltage VDD | 3.0 | 3.3 | 3.6 | VDC | 3.3 | ||||||||||||||||
4.75 | 5.0 | 5.25 | VDC | 5.0 | |||||||||||||||||
Supply Current | 20 | mA | |||||||||||||||||||
RFOutput:CMOSSquareWave | |||||||||||||||||||||
Parameter | Conditions | Min | Typical | Max | Units | ||||||||||||||||
Load | CMOS | 15 | pF | ||||||||||||||||||
Level | 15 pF load, 3.3V |
+2.8 “1” level |
+0.2 “0” level |
V | |||||||||||||||||
15 pF load, 5.0V |
+4.5 “1” level |
+0.2 “0” level |
V | ||||||||||||||||||
Symmetry | CMOS | 40 | 50 | 60 | % |


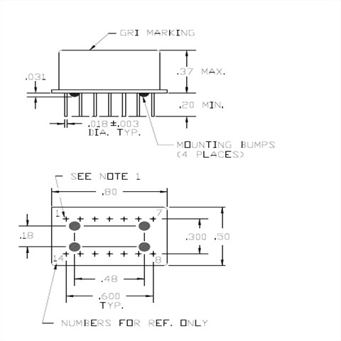
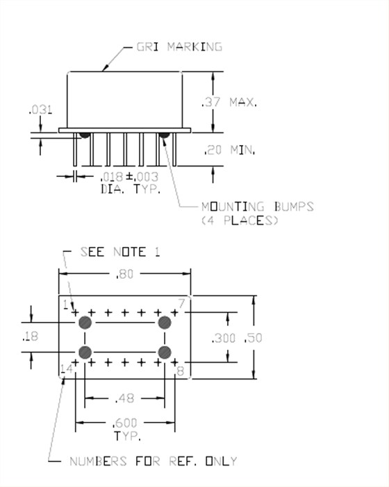
T1300-T26-5.0-LG-20.0MHz-E,有源晶振,Greenray晶振,6G微波接收器晶振 尺寸圖
OSC晶振產品特性:
專有的晶體和振蕩器設計,實現最佳性能
頻率:10 - 50MHz
EFC用于精確調諧或鎖相應用程序
20.3 x 12.7mm,堅固耐用的包裝
+3.3或5VDC電源
CMOS輸出
靈敏度<0.07 ppb/g
相對不受沖擊和振動的影響
100%篩選g-Sensitivity性能
更多相關Greenray格林雷晶振型號,請咨詢我們~