
KDS晶振,DSV321SV晶振,DSV321SR晶振,進口壓控振蕩器.日本株式會社大真空晶振總公司設立在日本國兵庫縣加古川市平岡町新在家,創業時間為1959年11月3日,正式注冊成立是在1963年5月8日,當時注冊資金高達321億日元之多,主要從事電子元件石英晶振以及電子設備生產銷售一體化,包括聲表面諧振器,音叉型晶體諧振器,晶體應用產品,晶體振蕩器,晶體濾波器,晶體光學產品,硅晶體時鐘設備,MEMS振蕩器等。
VCXO是指這款晶體產品控制功能只有單壓控也就是電壓控制功能,產品本身頻率精度可以隨著電壓搞定起伏來自動調整頻率,使產品永遠控制在一定的頻率范圍,壓控晶振(VCXO)壓控石英晶體振蕩器基本解決方案,PECL輸出,輸出頻率60 MHz到200 MHz之間,出色的低相位噪聲和抖動,三態功能,應用:SDH/ SONET,以太網,基站,筆記本晶振應用,
|
型號 |
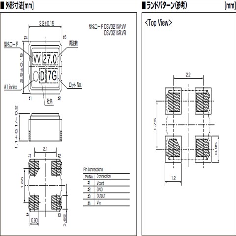
DSV321SV晶振,DSV321SR晶振(VCXO) |
|
|
輸出頻率范圍 |
13.5~54MHz |
|
|
標準頻率 |
19.2MHz/26MHz/38.4MHz/40MHz/52MHz |
|
|
電源電壓范圍 |
+1.68~+3.5V |
|
|
電源電壓(Vcc) |
+2.8V,+3.3V |
|
|
消耗電流 |
+1.5mA max.(f≦26MHz)/+2.0mA max.(26<f≦52MHz)/+2.5mA max.(f≦60MHz) |
|
|
待機時電流 |
- |
|
|
輸出電壓 |
0.8Vp-p min.(f≦52MHz)(削峰正弦波/DC-coupled) |
|
|
輸出負載 |
10kΩ//10pF |
|
|
頻率穩定度 |
常溫偏差 |
±1.5×10-6max.(After 2 reflows) |
|
溫度特性 |
±1.0×10-6,±2.5×10-6max./-30~+85℃ |
|
|
電源電壓特性 |
±0.2×10-6max.(VCC±5%) |
|
|
負載變化特性 |
±0.2×10-6max.(10kΩ//10pF±10%) |
|
|
長期變化 |
±1.0×10-6max./year |
|
|
頻率控制
|
控制靈敏度 |
±3.0×10-6~±5.0×10-6/Vcont=+1.4V±1V @VCC≧+2.6V |
|
頻率控制極性 |
正極性 |
|

石英晶振各項注意事項:
所有產品的共同點
1:抗沖擊 是指晶振產品可能會在某些條件下受到損壞.例如從桌上跌落,摔打,高空拋壓或在貼裝過程中受到沖擊.如果產品已受過沖擊請勿使用.因為無論何種石英晶振,其內部晶片都是石英晶振制作而成的,高空跌落摔打都會給晶振照成不良影響.
2:輻射 將貼片晶振暴露于輻射環境會導致產品性能受到損害,因此應避免陽光長時間的照射
3:化學制劑 / pH值環境 請勿在PH值范圍可能導致腐蝕或溶解石英晶振或包裝材料的環境下使用或儲藏這些產品.KDS晶振,DSV321SV晶振,DSV321SR晶振,進口壓控振蕩器
4:粘合劑 請勿使用可能導致石英晶振所用的封裝材料,終端,組件,玻璃材料以及氣相沉積材料等受到腐蝕的膠粘劑.(比如,氯基膠粘劑可能腐蝕一個晶振的金屬“蓋”,從而破壞密封質量,降低性能.)
5:鹵化合物 請勿在鹵素氣體環境下使用晶振.即使少量的鹵素氣體,比如在空氣中的氯氣內或封裝所用金屬部件內,都可能產生腐蝕.同時,請勿使用任何會釋放出鹵素氣體的樹脂.
6:靜電 過高的靜電可能會損壞貼片晶振,請注意抗靜電條件.請為容器和封裝材料選擇導電材料.在處理的時候,請使用電焊槍和無高電壓泄漏的測量電路,并進行接地操作。
KDS晶振集團通過適當控制環境影響的物質,減少能源的使用,以達到節約能源和節約資源的目的。有效利用資源,防止環境污染,減少和妥善處理廢物,包括再利用和再循環。通過開展節能活動和減少二氧化碳排放防止全球變暖。避免采購或使用直接或間接資助或受益剛果民主共和國或鄰近國家武裝組織的礦產。遵守有關環境保護的法律、標準、協議和任何公司承諾的其他要求。
環境政策,在其業務活動的所有領域,從開發、生產和銷售的壓電石英晶體元器件、壓電石英晶體、有源晶體、壓電陶瓷諧振器,大真空集團業務政策促進普遍信任的環境管理活動.
推進晶振,有源晶振,壓控振蕩器, 壓電石英晶體、有源晶體等元器件的環保型業務,充分發揮綜合實力,推進環保型業務,為減輕社會的環境負荷做出貢獻.
KDS晶振集團認識到進行環境管理和資源保持的責任和必要性,同時也認識到針對全球環境問題,為保持國際環境而進行各行業建設性的合作是極其重要的。
過去KDS晶振集團已經針對重大污染控制項目建立了一整套記錄程序并且將繼續識別解決其自身環境污染及保持問題,加強責任感以便進行環境績效的持續改進。KDS晶振,DSV321SV晶振,DSV321SR晶振,進口壓控振蕩器

KDS晶振,DSV221SR晶振,石英晶體振蕩器
KDS晶振,DSV323SV晶振,VCXO晶振
EPSON晶振,貼片振蕩器,SG5032CAN晶振
EPSON晶振,貼片晶體振蕩器,SG-8002CE晶振
EPSON晶振,可編程石英晶體振蕩器,SG-8003晶振
EPSON晶振,石英晶體振蕩器,SG-8101系列晶振
EPSON晶振,OSC晶振,SG-8503CA晶振
EPSON晶振,貼片壓控晶振,VG2520CAN晶振
EPSON晶振,壓控晶體振蕩器,VG-4231CA晶振
威爾威歐美晶振,TV03有源振蕩器,TV03-24000X-WNB3RX晶振


